denpo
Carburated Nihilist
I dusted off my LED tail lights project, I'm starting to design a proper PCB for them.
I did a first try with the laser-print-on-cheap-glossy-newpaper-transfert and the result is promising.

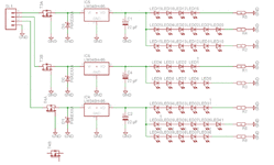
In current configuration led are in serial, with a resistor to limit the current, and a voltage regulator (LDO LM2940) to get a clean 12v.
Still, the circuit is open to potential transients with voltage spike theorically up to 80v and reverse polarity.
I was thinking about putting a 18v transorb (P6KE18A) and a fast recovery diode.
Thing is, I'm no electronic expert, so I'm not sure where and how I should put them in my circuit.
Anyone with real electronic knowlegde could help me out on this?
Here's the current schema

I can profile the Eagle CAD .sch file on request.
Thanks.
Needless to say, once completed all the datas will be uploaded to Vettemod for everyone's use.
I did a first try with the laser-print-on-cheap-glossy-newpaper-transfert and the result is promising.

In current configuration led are in serial, with a resistor to limit the current, and a voltage regulator (LDO LM2940) to get a clean 12v.
Still, the circuit is open to potential transients with voltage spike theorically up to 80v and reverse polarity.
I was thinking about putting a 18v transorb (P6KE18A) and a fast recovery diode.
Thing is, I'm no electronic expert, so I'm not sure where and how I should put them in my circuit.
Anyone with real electronic knowlegde could help me out on this?
Here's the current schema

I can profile the Eagle CAD .sch file on request.
Thanks.
Needless to say, once completed all the datas will be uploaded to Vettemod for everyone's use.



